Model: MRT1-MRT7
Load Cell: Manual Return
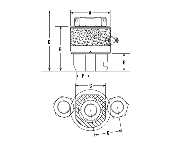
Piston stroke: 15mm (excluding MRT1 - 10mm)
Max tool pressure: 1500 bar (21750 psi)
Bolt protrusion above nut: 1 x bolt diameter
Tool Load: 280-3200 kN
Bolt Metric: M24 - M100
Hydraulic Area: 1867-21339 mm²
Manufacturer: Axion
Country of Origin: China
Minimum Order: 1 Piece
Replacement SPX's MRT Bolt Tensioners
SKU:AXT-100-001044
Product Line: Industrial Tools
Customizable with special requirement
Piston Overstroke Prevention: Prevents over-stroking and blowing a seal, ensuring the safety and longevity of the equipment.
Piston Stroke Indication: Allows for accurate monitoring of piston movement.
Compatibility: Designed to be compatible with the MRT Tensioner range.
Quick Release Bridge Adaptation: Features a unique quick-release mechanism for efficient operations.
Misalignment Compensation: Compensates for piston/cylinder misalignment, enhancing reliability.
Standards Compliance: Fits BS1560, ANSI B16.5, and API flanges.
Enclosed Load Cell Design: A fully enclosed design prevents debris from entering the piston retraction mechanism.
Twin Hydraulic Couplings: Allows for multiple tool connections, improving versatility.
Protruding Stud Requirement: The stud must protrude above the nut by 1x bolt diameter.
Application-Specific Tooling: Custom tools are available for specific applications (contact the factory for details).
Advantages of Spring Return Design:
Increased Productivity: The spring return design improves efficiency compared to older manual return tensioners.
Enhanced Safety: Reduces the risk of operator injury and equipment damage.

| (Iool Reference) Load Cel Order No. | Metric | Adaptor Kit Order No. | Imperial | Adaptor Kit Order No. | Tool Load kN | Tool Load Lbf | Hydraulic Area mm² | Hydraulic Area in² | Approx Wt. kg | Approx Wt. Ib | Imp bolts(mm) | Imp bolts(in) | met bolts(mm) | met bolts(in) | A(mm) | A (in) | B(mm) | B (in) | C(mm) | C (in) | D Imp bolts(mm) | D Imp bolts(in) | D met bolts(mm) | D met bolts(in) | E (mm) | E(in) | F(mm) | F (in) | G Imp bolts(mm) | G Imp bolts(in) | G met bolts(mm) | G met bolts(in) | Metric | Imperial | (Tool Reference) Load Cell Order No. |
| (MRT1)* MRTAS010001 | M24 | MRTAS010004 | 1" | MRTAS010002 | 280 | 62,900 | 1,867 | 2.894 | 3 | 6.6 | 25 | 0.98 | 24 | 0.94 | 85 | 3.35 | 97 | 3.8 | 68 | 2.7 | 166.8 | 6.6 | 155.4 | 6.1 | 38 | 1.5 | 28 | 1.1 | 59 | 23 | 56 | 2.2 | M24 | 1" | (MRT1)* MRTAS010001 |
| M27 | MRTAS010005 | / | / | / | / | 27 | 1.06 | 97 | u | 68 | 2.7 | / | / | 158.4 | 6.2 | 38 | 1.5 | 28 | 1.1 | / | / | 59 | 2.3 | M27 | / | ||||||||||
| / | / | 1-1/8" | MRTAS010003 | 29 | 1.14 | / | / | 100 | 3.9 | 76 | 3 | 173.2 | 6.8 | / | / | 41 | 1.6 | 31 | 1.2 | 66 | 2.6 | 44 | / | / | 1-1/8" | ||||||||||
| (MRT2)* MRTAS020001 | M24 | MRTAS020006 | 1" | MRTAS020002 | 450 | 101,100 | 3,001 | 4.652 | 4.5 | 9.9 | 25 | 0.98 | 24 | 0.94 | 108 | 4.25 | 102.5 | 4 | 75 | 3 | 181.8 | 7.2 | 180.4 | 7 | 38 | 1.5 | 30 | 1.2 | 68 | 2.7 | 67 | 2.6 | M24 | 1" | (MRT2)* MRTAS020001 |
| M27 | MRTAS020007 | / | / | / | / | 27 | 1.06 | 102.5 | 4 | 75 | 3 | / | / | 183.4 | 7.2 | 38 | 1.5 | 30 | 1.2 | / | / | 69 | 2.7 | M27 | / | ||||||||||
| M30 | MRTAS020008 | 1-1/8" | MRTAS020003 | 29 | 1.14 | 30 | 1.18 | 105.5 | 4.2 | 80 | 3.1 | 188.2 | 7.4 | 189.6 | 7.5 | 41 | 1.6 | 30 | 1.2 | 69 | 2.7 | 70 | 2.8 | M30 | 1-1/8" | ||||||||||
| M33 | MRTAS020009 | 1-1/4" | MRTAS020004 | 32 | 1.26 | 33 | 1.30 | 108.5 | 4.3 | 84 | 3.3 | 194.5 | 7.7 | 195.8 | 7.7 | 44 | 1.7 | 35 | 1.4 | 72 | 2.8 | 72 | 2.8 | M33 | 1-1/4" | ||||||||||
| M36 | MRTAS020010 | 1-3/8" | MRTAS020005 | 35 | 1.38 | 36 | 1.42 | 111.5 | 4.4 | 89 | 3.5 | 200.9 | 79 | 201.9 | 7.9 | 47 | 1.9 | 38 | 1.5 | 78 | 3.1 | 77 | 3 | M36 | 1-3/8" | ||||||||||
| (MRT3)* MRTAS030001 | M33 | MRTAS030006 | 1-1/4" | MRTAS030002 | 660 | 148,300 | 4,401 | 6.822 | 5.9 | 12.98 | 32 | 1.26 | 33 | 1.30 | 147.5 | 4.9 | 108.5 | 4.3 | 88 | 3.5 | 196.5 | 7.7 | 197.8 | 7.8 | 44 | 1.7 | 35 | 1.4 | 79 | 3.1 | 80 | 3.1 | M33 | 1-1/4" | (MRT3)* MRTAS030001 |
| M36 | MRTAS030007 | 1-3/8" | MRTAS030003 | 35 | 1.38 | 36 | 1.42 | 111.5 | 4.4 | 96 | 3.8 | 203 | 8 | 204 | 8 | 47 | 1.9 | 38 | 1.5 | 81 | 3.2 | 81 | 3.2 | M36 | 1-3/8" | ||||||||||
| M39 | MRTAS030008 | 1-1/2" | MRTAS030004 | 38 | 1.50 | 39 | 1.54 | 115 | 4.5 | 96 | 3.8 | 209.2 | 8.2 | 210.1 | 8.3 | 50.5 | 2 | 42 | 1.7 | 84 | 3.3 | 84 | 3.3 | M39 | 1-1/2" | ||||||||||
| M42 | MRTAS030009 | 1-5/8" | MRTAS030005 | 41 | 1.61 | 42 | 1.65 | 118 | 4.6 | 105 | 4.1 | 215.6 | 8.5 | 216.3 | 8.5 | 53.5 | 2.1 | 41 | 1.6 | 91 | 3.6 | 91 | 3.6 | M42 | 1-5/8" | ||||||||||
| (MRT4)* MRTAS040001 | M39 | MRTAS040008 | 1-1/4" | MRTAS040003 | 1,000 | 224,700 | 6,668 | 10.335 | 8.5 | 18.7 | 32 | 1.26 | 39 | 1.54 | 147.5 | 5.8 | 116 | 4.6 | 112 | 4.4 | 215.2 | 8.5 | 216.1 | 8.5 | 50.5 | 2 | 42 | 1.7 | 94 | 3.7 | 94 | 3.7 | M39 | 1-1/4" | (MRT4)* MRTAS040001 |
| M42 | MRTAS040009 | 1-5/8" | MRTAS040004 | 41 | 1.61 | 42 | 1.65 | 119 | 4.7 | 114 | 4.5 | 222 | 8.7 | 222 | 8.7 | 53.5 | 2.1 | 45 | 1.8 | 96 | 3.8 | 96 | 3.8 | M42 | 1-5/8" | ||||||||||
| M45 | MRTAS040010 | 1-3/4" | MRTAS040005 | 44 | 1.73 | 45 | 1.77 | 122.5 | 4.8 | 118 | 4.6 | 227.9 | 9 | 228.5 | 9 | 57 | 2.2 | 52 | 2 | 100 | 3.9 | 100 | 3.9 | M45 | 1-3/4" | ||||||||||
| M48 | MRTAS040011 | 1-7/8" | MRTAS040006 | 48 | 1.89 | 48 | 1.89 | 125.5 | 4.9 | 114 | 4.5 | 234.3 | 9.2 | 234.6 | 9.2 | 60 | 2.4 | 51 | 2 | 101 | 4 | 10 | 4 | M48 | 1-7/8" | ||||||||||
| / | / | 2" | MRTAS040007 | 51 | 2.01 | / | / | 128.5 | 5.1 | 120 | 4.7 | 241 | 9.5 | / | / | 63 | 2.5 | 52 | 2 | 107 | 4.2 | / | / | / | 2" | ||||||||||
| (MRT5)* MRTAS050001 | M52 | MRTAS050007 | 2" | MRTAS050003 | 1,500 | 337,200 | 10,003 | 15.505 | 14 | 30.8 | 51 | 2.01 | 52 | 2.05 | 180.5 | 7.1 | 132 | 5.2 | 120 | 4.7 | 250.6 | 9.9 | 251.8 | 9.9 | 63 | 2.5 | 52 | 2 | 117 | 4.6 | 117 | 4.6 | M52 | 2" | (MRT5)* MRTAS050001 |
| M56 | MRTAS050008 | 2-1/4" | MRTAS050004 | 57 | 2.24 | 56 | 2.20 | 138.5 | 55 | 138 | 5.4 | 263.3 | 10.4 | 262.2 | 10.3 | 69.5 | 2.7 | 58 | 9 | 121 | 4.8 | 119 | 4.7 | M56 | 2-1/4" | ||||||||||
| M60 | MRTAS050009 | / | / | / | / | 60 | 236 | 138.5 | 5.5 | 138 | 5.4 | / | / | 266 | 10.5 | 69.5 | 2.7 | 58 | 2.3 | / | / | 122 | 4.8 | M60 | / | ||||||||||
| M64 | MRTAS050010 | 2-1/2" | MRTAS050005 | 64 | 2.52 | 64 | 2.52 | 145 | 5.7 | 153 | 6 | 276 | 10.9 | 276.5 | 10.9 | 76 | 3 | 63 | 2.5 | 134 | 5.3 | 132 | 5.2 | M64 | 2-1/2" | ||||||||||
| M68 | MRTAS050011 | / | / | / | / | 68 | 2.68 | 145 | 5.7 | 153 | 6 | / | / | 280.5 | 11 | 76 | 3 | 63 | 2.5 | / | / | 135 | 5.3 | M68 | / | ||||||||||
| M70 | MRTAS050012 | / | / | / | / | 70 | 2.76 | 145 | 5.7 | 153 | 6 | / | / | 282.5 | 11.1 | 76 | 3 | 63 | 2.5 | / | / | 135 | 5.3 | M70 | / | ||||||||||
| 2-3/4" | MRTAS050006 | 70 | 2.76 | / | / | 150 | 5.9 | 156 | 6.1 | 289 | 11.4 | / | / | 81 | 3.2 | 70 | 2.8 | 141 | 5.6 | / | / | / | 2-3/4 | ||||||||||||
| (MRT6)* MRTAS060001 | M72 | MRTAS060007 | 2-3/4" | MRTAS060003 | 2,500 | 562,000 | 16,671 | 25.84 | 23 | 50.6 | 51 | 2.01 | 72 | 2.83 | 227 | 8.9 | 151 | 5.9 | 157 | 6.2 | 298.7 | 11.8 | 300.9 | 11.8 | 82 | 3.2 | 72 | 2.8 | 149 | 5.9 | 151 | 5.9 | M72 | 2-3/4" | (MRT6)* MRTAS060001 |
| M76 | MRTAS060008 | 3" | MRTAS060004 | 76 | 2.99 | 76 | 2.99 | 158 | 6.2 | 182 | 7.2 | 311.4 | 123 | 311.2 | 12.3 | 89 | 3.5 | 80 | 3.1 | 160 | 6.3 | 156 | 6.1 | M76 | 3" | ||||||||||
| M80 | MRTAS060009 | / | / | / | / | 80 | 3.15 | 158 | 6.2 | 182 | 7.2 | / | / | 315.2 | 124 | 89 | 3.5 | 80 | 3.1 | 158 | 6.2 | M80 | / | ||||||||||||
| M85 | MRTAS060010 | 3-1/4" | MRTAS060005 | 83 | 3.27 | 85 | 3.35 | 164 | 6.5 | 190 | 7.5 | 324.1 | 12.8 | 326.6 | 12.9 | 95 | 3.7 | 84 | 3.3 | 169 | 6.7 | 165 | 6.5 | M85 | 3-1/4" | ||||||||||
| M90 | MRTAS060011 | 3-1/2" | MRTAS060006 | 89 | 3.50 | 90 | 3.54 | 170 | 6.7 | 205 | 8.1 | 336.8 | 13.3 | 337.9 | 13.3 | 101 | 4 | 88 | 3.5 | 182 | 72 | 179 | 7 | M90 | 3-1/2" | ||||||||||
| (MRT7)* MRTAS070001 | M90 | MRTAS070006 | 3-1/2" | MRTAS070003 | 3,200 | 719,300 | 21,339 | 33 | 32 | 70.4 | 89 | 3.50 | 90 | 3.54 | 252 | 10 | 173 | 6.8 | 200 | 7.9 | 346 | 13.6 | 347 | 13.7 | 101 | 4 | 88 | 3.5 | 180 | 7.1 | 176 | 6.9 | M90 | 3-1/2" | (MRT7)* MRTAS070001 |
| M95 | MRTAS070007 | / | / | / | / | 95 | 3.74 | 6.8 | 0 | 7.9 | 173 | / | 200 | 13.9 | / | 101 | 351.9 | 88 | 3.5 | / | / | 179 | 7 | M95 | / | ||||||||||
| M100 | MRTAS070008 | 3-3/4” | MRTAS070004 | 95 | 3.74 | 100 | 3.94 | 7 | 0 | 8 | 179 | 14.1 | 200 | 14.3 | 358.5 | 107 | 363.3 | 94 | 3.7 | 185 | 73 | 185 | 73 | M100 | 3-3/4” | ||||||||||
| / | / | 4” | MRTAS070005 | 102 | 4.02 | / | / | 73 | 0 | 8.3 | 186 | 14.6 | 210 | / | 371.2 | 114 | / | 114 | 4.5 | 190 | 7.5 | / | / | / | 4” |
PROVIDING EXCELLENT SOLUTIONS BY Axion™
if you are looking for factory manufacturers and suppliers of MRT, 1500 bar Manual Return Bolt Tensioners,
choose Axion TOOL because of the high quality, variety of choices, low price and fast delivery.
you can easily find the best MRT, 1500 bar Manual Return Bolt Tensioners solution here!
Speak to one of our experts today to learn more about our MRT, 1500 bar Manual Return Bolt Tensioners products solutions.