The cartridge system allows for the offset link to be used with AF nut sizes ranging from 24 to 90 millimeters.
The Side-Drive Cartridges are easy to fit or remove through two bolts.
Square drive tools(torque wrenches) mount on the offset link,
which can be used as a ratchet link. Ideal for applications with limited space around or above the nut.
Safe, Fast and Accurate, Flexible reaction arm, customer specific designs optional.
The drive can be applied easily on the electric, battery-powered or pneumatic torque wrenches.
SKU:AXT-98-00308
Product Line: Industrial Tools
Customizable with special requirement
STM Offset Link refers to a chain connector, usually made of metal, used to connect the chain link in the transmission.
The difference between STM Offset Link and ordinary chain connectors is that it has a special offset design that allows for changes in the position of chain connection points, thereby adapting to more complex transmission scenarios.
Common application scenarios include chain transmission systems in industrial equipment, bicycles, motorcycles, and other fields.


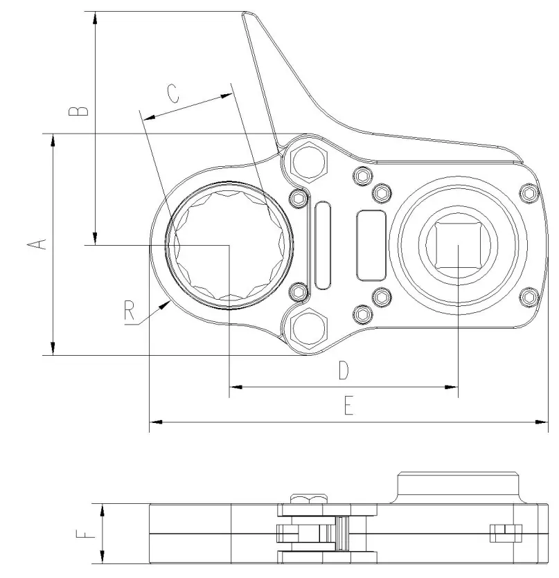
Side-drive Offset Link | Square Drive(in) | R(mm) | Drive Ratio | Drive Plate Model | D(mm) | E(mm) | A(mm) | F(mm) | B(mm) | Hexagon C(mm) | Drive Head Model |
| ATDM75-24 | 3/4” | 30 | 1.46 | STM75 | 123.5 | 205 | 107 | 32 | 137 | 24 | ADM75-24 |
| ATDM75-32 | 3/4” | 30 | 1.46 | 123.5 | 205 | 107 | 32 | 137 | 32 | ADM75-32 | |
| ATDM75-34 | 3/4” | 32 | 1.3 | 127 | 211 | 107 | 32 | 137 | 34 | ADM75-34 | |
| ATDM75-36 | 3/4” | 32 | 1.3 | 127 | 211 | 107 | 32 | 137 | 36 | ADM75-36 | |
| ATDM75-42 | 3/4” | 34.5 | 1.2 | 129 | 215 | 107 | 32 | 137 | 41 | ADM75-42 | |
| ATDM75-46 | 3/4” | 37.5 | 1.12 | 131 | 220 | 107 | 32 | 137 | 46 | ADM75-46 | |
| ATDM75-50 | 3/4” | 40.5 | 1.05 | 134 | 226 | 107 | 32 | 137 | 50 | ADM75-50 | |
| ATDM75-55 | 3/4” | 44.5 | 0.99 | 138.5 | 235 | 107 | 32 | 137 | 55 | ADM75-55 | |
| ATDM75-60 | 3/4” | 47.5 | 0.9 | 141.5 | 241 | 107 | 32 | 137 | 60 | ADM75-60 | |
| ATDM75-65 | 3/4” | 50 | 0.86 | 144 | 245.5 | 107 | 32 | 137 | 65 | ADM75-65 | |
| ATDM100-46 | 1” | 45 | 1.52 | STM100 | 187 | 302 | 165 | 42.5 | 203 | 46 | ADM100-46 |
| ATDM100-50 | 1” | 45 | 1.52 | 187 | 302 | 165 | 42.5 | 203 | 50 | ADM100-50 | |
| ATDM100-55 | 1” | 46.5 | 1.39 | 188.5 | 305 | 165 | 42.5 | 203 | 55 | ADM100-55 | |
| ATDM100-60 | 1” | 48 | 1.33 | 190 | 308 | 165 | 42.5 | 203 | 60 | ADM100-60 | |
| ATDM100-65 | 1” | 53 | 1.22 | 195 | 318 | 165 | 42.5 | 203 | 65 | ADM100-65 | |
| ATDM100-70 | 1” | 56 | 1.15 | 196.5 | 322 | 165 | 42.5 | 203 | 70 | ADM100-70 | |
| ATDM100-75 | 1” | 57.5 | 1.1 | 199.5 | 327 | 165 | 42.5 | 203 | 75 | ADM100-75 | |
| ATDM100-80 | 1” | 59 | 1.06 | 201 | 330 | 165 | 42.5 | 203 | 80 | ADM100-80 | |
| ATDM100-85 | 1” | 65.5 | 0.97 | 207.5 | 343 | 165 | 42.5 | 203 | 85 | ADM100-85 | |
| ATDM100-90 | 1” | 73 | 0.93 | 212 | 355 | 173 | 42.5 | 203 | 90 | ADM100-90 |
What are the different types of sockets and adapters available for nut runners?
There are a variety of sockets and adapters available for use with nut runners, including deep sockets, thin-wall sockets, impact sockets, and universal adapters. Each type is designed to accommodate different types of nuts and bolts and to provide optimal torque delivery.
How do I select the right socket size for my nut runner?
The socket size required for a nut runner depends on the size of the bolt being used. It's important to consult the manufacturer's specifications or refer to a bolt sizing chart to determine the correct socket size for your specific application.
Can I use my nut runner for both tightening and loosening nuts?
Yes, most nut runners are designed to be used for both tightening and loosening nuts. It's important to follow the manufacturer's instructions and guidelines for proper operation, as excessive force or misuse can damage the tool or the nuts being worked on.
How do I maintain and care for my nut runner accessories?
Regular maintenance and care are essential for ensuring optimal performance and longevity of your nut runner accessories. This typically includes cleaning the tools after use, inspecting for damage or wear, and performing regular calibration and accuracy checks. It's important to follow the manufacturer's recommended maintenance procedures and schedules to avoid equipment failure or inaccurate torque readings.
What are the benefits of using specialized nut runner accessories, such as reaction arms or angle measurement devices?
Specialized nut runner accessories such as reaction arms or angle measurement devices can provide added functionality and precision for specific applications. Reaction arms can help to provide stability and prevent over-tightening, while angle measurement devices can ensure that bolts are tightened to a precise angle. Using these accessories can help to improve productivity, reduce downtime, and achieve more consistent and accurate results.
PROVIDING EXCELLENT SOLUTIONS BY Axion™
if you are looking for factory manufacturers and suppliers of Boost Efficiency and Versatility with Nut Runner Accessories, Side-Drive and ATM Offset Link for Long Threaded Rods,
choose Axion TOOL because of the high quality, variety of choices, low price and fast delivery.
you can easily find the best Boost Efficiency and Versatility with Nut Runner Accessories, Side-Drive and ATM Offset Link for Long Threaded Rods solution here!
Speak to one of our experts today to learn more about our Boost Efficiency and Versatility with Nut Runner Accessories, Side-Drive and ATM Offset Link for Long Threaded Rods products solutions.